Site agence Novelty Azur

ARRI - L5-C

Projectueur à LED, lentille Fresnel, 115W, blanc 2800°K à 10000°K, DMX512
Propriétés techniques
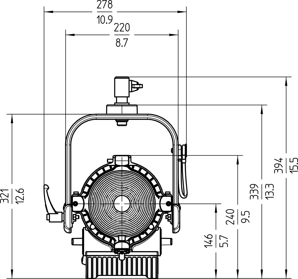
  • Dimensions unitaires : 394 x 278 x 280 mm
  • Poids unitaire : 7 kg (avec crochet-élingue)
  • Dimensions en flight-case (X4) : … x … x … cm
  • Poids en flight-case (X4) : … kg
  • Consommation électrique : 115 W

Détails produit

UN PROJECTEUR À LED EXCEPTIONNEL À VRAI PERFORMANCE DE FRESNEL
La L-Series d’ARRI est un systeme à LED de Fresnel si proche de sa contrepartie conventionnelle en fonctionnement et performance qu’elle crée une occasion hors de portée à ce jour : le remplacement d’égal à égal des Fresnels traditionnels à unités basées sur LED.

L’addition du L5 à la L-Series complète parfaitement le L7, permettant davantage d’applications d’éclairage mobile et un plus large éventail de classes de puissance pour les studios de télévision. Ses dimensions compactes et son poids faible permettent au L5 d’être installé dans les endroits les plus étroits et même d’être suspendu aux plafonds bas. Le L5 est également l’idéal pour les séances de prise de vues et les installations d’interview aux endroits exigus. La chaleur faible garantit des conditions de prise de vues sécurisées et plus confortables. Cette polyvalence et la superbe qualité de la lumière font du L5 une addition fortement attendue à la famille L-Series primée.

Les nouvelles fonctionnalités intégrées au L5 comprennent un connecteur d’alimentation powerCON et une entrée de batterie incorporée, qui permet aux batteries conformes aux normes industrielles d’alimenter le L5 en énergie sans aucun sacrifice en termes de fonctionnalités et de rendement lumineux. L’accroissement qui en résulte en termes de transférabilité ouvre la voie à des domaines d’applications entièrement nouveaux, donnant aux productions avec le L5 la très grande liberté de se déplacer et de travailler rapidement.

Le L5 est approximativement 45 % plus brillant qu’un Fresnel au tungstène de 300 W, mais ne consomme que 115 W. Comparé au L7, le L5 ne représente que la moitié du poids et de la taille. De plus, le L5 maintient l’ensemble des fonctionnalités populaires de ses plus grands frères et soeurs, y incluses l’accordabilité de 2.800 K à 10.000 K, la correction vert/magenta, la sélection de la tonalité chromatique, le réglage de saturation et du DMX incorporé pour la communication avec des unités de commande de tierces parties.

CARACTERISTISQUES

  • Système optique : Fresnel focalisable
  • Durée de vie estimée des DEL (L70) : 50.000 heures
  • Diamètre de lentille : 137 mm / 5“
  • Angle de Faisceau : 14° à 50° (angle à mi-intensité)
  • Température de couleur : variable en continu de 2.800 K à 10.000 K
  • Tolérance de température de couleur : +/- 100 K (nominal), +/- 1/8 vert-magenta (nominal)
  • Température de fonctionnement : -20 à + 45º
Nous contacter

Vous avez un projet ou une question ?

Nos équipes sont prêtes à répondre à vos besoins et à concrétiser vos projets. Contactez votre agence locale ou laissez-nous un message, nous serons ravis de vous accompagner.

Contactez-nous